BANGKOK —
Thời tiết xấu lại một lần nữa gây trở ngại cho việc tìm kiếm chiếc máy bay Malaysia mất tích. Theo tường thuật của thông tín viên Ron Corben của đài VOA tại Bangkok, sự trì hoãn xảy ra trong lúc những hình ảnh vệ tinh Thái Lan mới được tiết lộ cho thấy hàng trăm vật thể đang trôi nổi ở vùng biển phía nam Ấn Độ dương.
Thời tiết xấu ngày hôm nay đã một lần nữa khiến các máy bay phải tạm ngưng hoạt động ở nam Ấn Độ dương trong lúc nhiều người tiếp tục ra sức tìm kiếm chiếc máy bay Malaysia mất tích hôm 8 tháng 3.
Đây là lần thứ nhì trong tuần này cuộc tìm kiếm chiếc Boeing 777 với 239 người trên máy bay bị tạm ngưng vì thời tiết xấu.
Một chiếc Ilyushin của Trung Quốc là một trong những máy bay bị buộc phải quay lại thành phố Perth của Australia. Ông Trương Bân, người lái máy bay này, cho biết máy bay ông đã bay ở độ cao chỉ có 700 mét nhưng mây dày đã làm cho tầm nhìn bị hạn chế rất nhiều.
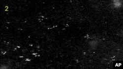
Ông nói rằng máy bay ông tới khu vực tìm kiếm theo đúng kế hoạch nhưng điều kiện thời tiết quá xấu và đã được lệnh của Australia phải cắt ngắn chuyến bay để quay về căn cứ. Trong khi đó, một vệ tinh của Thái Lan đã phát giác khoảng 300 vật thể gần khu vực tìm kiếm. Hình ảnh của những vật thể có chiều dài từ 2 đến 10 mét được chụp 3 ngày trước tại vùng biển cách nơi phát giác trước đây của một vệ tinh của Pháp khoảng 200 kilomét.
Nhưng cho tới giờ này những vật thể được phát giác đó chưa có vật nào được xác định là của chiếc máy bay lâm nạn.
Trong số 227 hành khách của chuyến bay MH 370 có 153 người Trung Quốc. Những sự bất bình đối với các nỗ lực tìm kiếm đã khiến giới hữu trách Trung Quốc gây sức ép đòi chính phủ Malaysia tiết lộ thêm thông tin.
Tại Bắc Kinh ngày hôm nay, phát ngôn viên Bộ Ngoại giao Trung Quốc Hồng Lỗi lại một lần nữa kêu gọi Malaysia cung cấp thêm thông tin chính xác về cuộc tìm kiếm. Ông Hồng nói rằng Trung Quốc sẽ tăng cường các nỗ lực tìm kiếm và hy vọng Malaysia cũng sẽ cải thiện việc thông tin liên lạc với Trung Quốc và hợp tác với tất cả các nước liên quan và an ủi gia đình của các hành khách.
Một số chuyên gia hàng không đã bắt đầu nghi ngờ là những vật thể do vệ tinh phát giác không phải là của chiếc máy bay mất tích. Ông Hugh Ritchie, Giám đốc công ty Tư vấn Hàng không Quốc tế, phát biểu như sau:
"Tôi vẫn còn hoài nghi. Tôi không tin là những mảnh vở trôi nổi ở vùng biển đó là từ chiếc máy bay mất tích. 18 ngày đã trôi qua kể từ khi vụ này xảy ra mà vẫn còn nổi được. Hầu hết những thứ có thể nổi thì bây giờ có lẽ bị sũng nước mà chìm dưới nước rồi. Những chiếc máy bay loại này không được chế tạo để nổi trên mặt nước."
Các giới chức đang ra sức tìm kiếm những chiếc hộp đen chứa dữ liệu phi hành và ghi âm tiếng nói trên máy bay. Nhưng các chuyên gia nói rằng chiếc hộp phát đi tín hiệu khi gặp nước chỉ có đủ điện để phát tín hiệu thêm hai tuần nữa.
Thời tiết xấu ngày hôm nay đã một lần nữa khiến các máy bay phải tạm ngưng hoạt động ở nam Ấn Độ dương trong lúc nhiều người tiếp tục ra sức tìm kiếm chiếc máy bay Malaysia mất tích hôm 8 tháng 3.
Đây là lần thứ nhì trong tuần này cuộc tìm kiếm chiếc Boeing 777 với 239 người trên máy bay bị tạm ngưng vì thời tiết xấu.
Một chiếc Ilyushin của Trung Quốc là một trong những máy bay bị buộc phải quay lại thành phố Perth của Australia. Ông Trương Bân, người lái máy bay này, cho biết máy bay ông đã bay ở độ cao chỉ có 700 mét nhưng mây dày đã làm cho tầm nhìn bị hạn chế rất nhiều.
Ông nói rằng máy bay ông tới khu vực tìm kiếm theo đúng kế hoạch nhưng điều kiện thời tiết quá xấu và đã được lệnh của Australia phải cắt ngắn chuyến bay để quay về căn cứ. Trong khi đó, một vệ tinh của Thái Lan đã phát giác khoảng 300 vật thể gần khu vực tìm kiếm. Hình ảnh của những vật thể có chiều dài từ 2 đến 10 mét được chụp 3 ngày trước tại vùng biển cách nơi phát giác trước đây của một vệ tinh của Pháp khoảng 200 kilomét.
Nhưng cho tới giờ này những vật thể được phát giác đó chưa có vật nào được xác định là của chiếc máy bay lâm nạn.
Trong số 227 hành khách của chuyến bay MH 370 có 153 người Trung Quốc. Những sự bất bình đối với các nỗ lực tìm kiếm đã khiến giới hữu trách Trung Quốc gây sức ép đòi chính phủ Malaysia tiết lộ thêm thông tin.
Tại Bắc Kinh ngày hôm nay, phát ngôn viên Bộ Ngoại giao Trung Quốc Hồng Lỗi lại một lần nữa kêu gọi Malaysia cung cấp thêm thông tin chính xác về cuộc tìm kiếm. Ông Hồng nói rằng Trung Quốc sẽ tăng cường các nỗ lực tìm kiếm và hy vọng Malaysia cũng sẽ cải thiện việc thông tin liên lạc với Trung Quốc và hợp tác với tất cả các nước liên quan và an ủi gia đình của các hành khách.
Một số chuyên gia hàng không đã bắt đầu nghi ngờ là những vật thể do vệ tinh phát giác không phải là của chiếc máy bay mất tích. Ông Hugh Ritchie, Giám đốc công ty Tư vấn Hàng không Quốc tế, phát biểu như sau:
"Tôi vẫn còn hoài nghi. Tôi không tin là những mảnh vở trôi nổi ở vùng biển đó là từ chiếc máy bay mất tích. 18 ngày đã trôi qua kể từ khi vụ này xảy ra mà vẫn còn nổi được. Hầu hết những thứ có thể nổi thì bây giờ có lẽ bị sũng nước mà chìm dưới nước rồi. Những chiếc máy bay loại này không được chế tạo để nổi trên mặt nước."
Các giới chức đang ra sức tìm kiếm những chiếc hộp đen chứa dữ liệu phi hành và ghi âm tiếng nói trên máy bay. Nhưng các chuyên gia nói rằng chiếc hộp phát đi tín hiệu khi gặp nước chỉ có đủ điện để phát tín hiệu thêm hai tuần nữa.